Диаметр присоединения (Ду) 125 мм, макс. давление (Ру) - 10 бар,
Межфланцевая. Управление пневмоприводом.
*Все Цены с НДС
Задвижка VG4400-03NI0125 шиберная от французского производителя Tecofi. В компании ТермоПартнер Вы можете купить задвижки VG4400 Ду125 Ру10 с пневмоприводом по низким ценам с доставкой по Москве и всей России. Мы сделаем процесс покупки максимально простым и выгодным. Монтажным и торгующим компаниям, в зависимости от объёма, предоставим дополнительные скидки от цены на сайте. Являемся официальным дилером Tecofi, что гарантирует прямые поставки оригинальной продукции с завода изготовителя по наилучшей цене.
На нашем сайте вы найдете полную информацию о шиберных задвижках VG4400-03NI0125 Текофи:- Каталог;
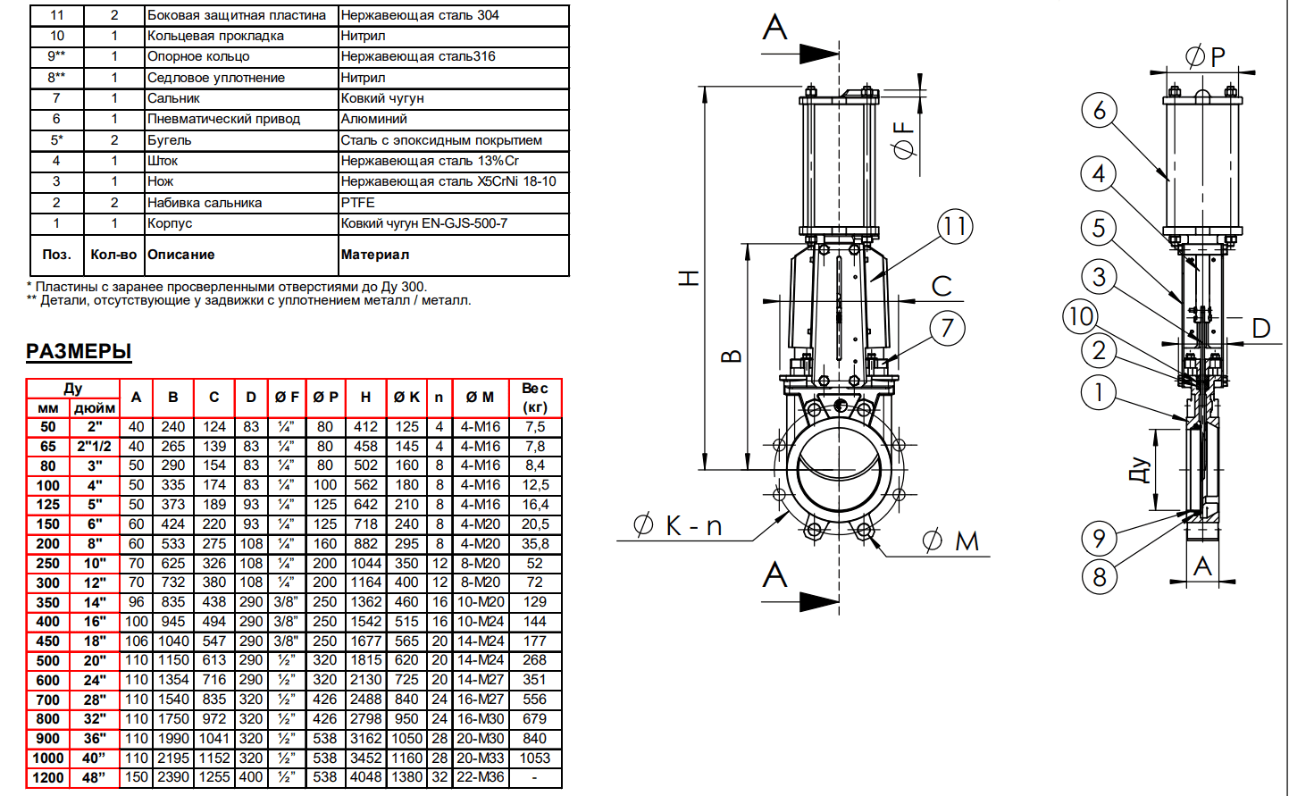
- Паспорт с техническими характеристиками;
- Сертификаты соответствия;
- Габаритные размеры и вес.
Шиберная ножевая задвижка VG4400-03NI0125 Текофи с пневмоприводом
VG4400-03NI0125 - чугунная межфланцевая шиберная задвижка с пневмоприводом Dn125 мм Pn10 бар от завода Tecofi. Используется для перекрытия или регулирования потока среды в системах водоподготовки, водоочистки, канализационных системах и т.д.
Корпус VG4400 Dn125 выполнен из ковкого чугуна EN-GJS-500-7, нож (шибер) из нержавеющей стали AISI 304. Присоединение межфланцевое с диаметром Ду125 мм, максимальное рабочее давление 10 бар, управление происходит с помощью пневмопривода.
- Артикул VG4400-03NI0125;
- Диаметр 125 мм;
- Управление пневмоприводом;
- Максимальное давление 10 бар;
- Корпус изготовлен из ковкого чугуна EN-GJS-500-7;
- Уплотнение: нитрил (Nitril)*;
- Одностороннее удержание среды;
- Моноблочный литой корпус;
- Отсутствие застойных зон;
- Полнопроходная конструкция;
Задвижка VG4400-03NI Ду125 Ру10 и другие диаметры и варианты управления
| Ду50 | Ду65 | Ду80 | Ду100 | Ду125 | Ру150 | Ду200 | Ду250 | Ду300 | Ду350 | Ду400 | Ду450 | Ду500 | Ду600 |
Габаритные размеры и вес задвижки VG4400-03NI0125 с пневмоприводом
* Задвижки поставляются с завода без упаковки, комплектация осуществляется на складе ТермоПартнер, итоговый размер паллета/упаковки зависит от общего объема заказа.
| A, мм | H, мм | B, мм | Вес, кг | |
|---|---|---|---|---|
|
50 | 642 | 373 | 16,4 |
Документы
Техническое описание - шиберная задвижка VG4400-03 Tecofi
Каталог - шиберные задвижка VG4400 Tecofi
Сертификат - шиберные задвижки Tecofi
Купить или получить дополнительную информацию по шиберным задвижкам VG4400-03NI0125 Tecofi Вы можете у наших специалистов, направив запрос на почту: zakaz@termopartner.ru
![]()
*Цена для ПРОФИ - цена для монтажных и торгующих организаций, профессиональных участников рынка → Подробнее
Внимание! Данная Цена носит информативный характер и не является публичной офертой. Для подтверждения Цены направьте запрос на почту: zakaz@termopartner.ru
Для профессионалов: монтажных, торгующих и инжиниринговых компаний полного цикла мы применяем особую политику низких цен - "Цена для ПРОФИ" с глубокими скидками от заводов-изготовителей. Это возможность сэкономить и заработать на поставляемом оборудовании.
Для подтверждения статуса ПРОФИ необходимо направить запрос на почту zakaz@termopartner.ru
Так же для Вас станет доступна опция "Специальное ценообразование" - возможность получить индивидуальную стоимость, ниже чем "Цена для ПРОФИ", достаточно написать нам и выполнить необходимые регламентированные требования (от Производителя) для согласования специального ценообразования под объём / объект / проект.
Подтвердите статус ПРОФИ, направив запрос на почту: zakaz@termopartner.ru
