Большой выбор шиберных задвижек VGB4400 с двухсторонним удержанием среды Tecofi от французского производителя Tecofi. В компании ТермоПартнер Вы можете купить задвижки VGB4400 по низким ценам, с доставкой по Москве и всей России.
На нашем сайте вы найдете полную информацию о шиберных задвижках VGB4400 Текофи:- Каталоги с подробным описанием продукта.
- Паспорта с техническими характеристиками.
- Сертификаты, подтверждающие соответствия установленным стандартам.
- Габаритные размеры и вес, позволят вам спланировать доставку и убедиться в совместимости продукции с вашими потребностями.
Заявки направляйте на почту: zakaz@termopartner.ru
Свой склад
Надежность поставок
Оригинальная продукция
Лучшая цена
Задвижки VGB4400 Текофи
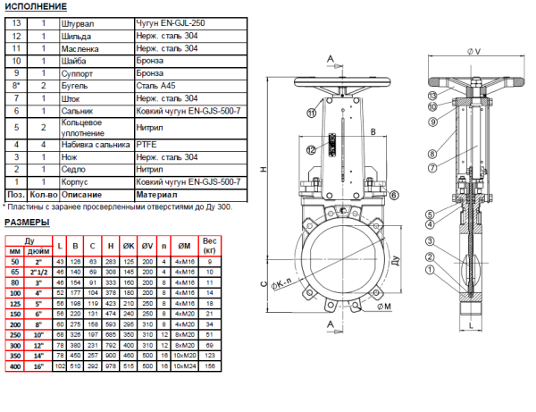
VGB4400 - чугунная двухсторонняя шиберная задвижка от завода Tecofi. Используется для перекрытия или регулирования потока среды в системах водоподготовки, водоочистки, канализационных системах и т.д.
Корпус выполнен из ковкого чугуна GGG50, нож (шибер) из нержавеющей стали AISI 304. Поставляется со штурвалом, пневмоприводом, редуктором, электроприводом и без управления.
Выберите нужный диаметр (Ду)
| Ду50 | Ду65 | Ду80 | Ду100 | Ду125 | Ру150 | Ду200 | Ду250 | Ду300 | Ду350 | Ду400 | Ду450 | Ду500 | Ду600 |
Документы
Техническое описание - шиберная задвижка VGB4400-001 Tecofi
Техническое описание - шиберная задвижка VGB4400-08 Tecofi
Техническое описание - шиберная задвижка VGB4400-03 Tecofi
Техническое описание - шиберная задвижка VGB4400-004 Tecofi
Техническое описание - шиберная задвижка VGB4400-U04 Tecofi
Каталог - шиберные задвижка VGB4400 Tecofi
Сертификат - шиберные задвижки Tecofi
Купить или получить дополнительную информацию по шиберным задвижкам VGB4400 Tecofi Вы можете у наших специалистов, направив запрос на почту: zakaz@termopartner.ru
![]()
*Цена для ПРОФИ - цена для монтажных и торгующих организаций, профессиональных участников рынка → Подробнее
Внимание! Данная Цена носит информативный характер и не является публичной офертой. Для подтверждения Цены направьте запрос на почту: zakaz@termopartner.ru
